Проекты

Компания «ГОРТ» динамично развивающаяся компания – в направлении автоматизация и диспетчеризация инженерных систем любых производственных и технологических процессов.


Мы можем предоставить полный комплекс услуг «под ключ» и/или выполнить отдельные этапы проекта такие как: разработка алгоритмов управления, разработка АСУ ТП, проектирование АСУ ТП, разработка системы визуализации SCADA, провести программирование ПЛК контроллера импортного и отечественного производства и осуществить пусконаладочные работы АСУ. Диспетчеризация процессов может быть реализована на ПЛК контроллерах: Siemens, Schneider Electric, Honeywell, Wago, Allen-Bradley, Fimatic-C и других брендов.




Мы готовы осуществить внедрение АСУ ТП на любых объектах и промышленных предприятиях в России. Проектирование диспетчеризации и модернизация АСУ ТП, еще одно важное направление нашей деятельности. Мы настоятельно рекомендуем нашим Заказчикам линейку ПЛК контроллеров «Fimatic-C» производства Московского завода «Физприбор» хорошо зарекомендовавшей себя на различных атомных станциях. Гарантийный срок службы данного оборудования составляет 5 лет непрерывной работы. Для Заказчиков, готовых провести постепенное импортозамещение систем АСУ ТП мы можем разрабатывать индивидуальные поэтапные проекты «миграции» оборудования с резервированием, а в особых случаях без остановки технологического процесса.


Компетенция специалистов нашей компании и предприятий наших партнёров позволяет подключиться на любом этапе реализации Вашего проекта и успешно завершить его с учетом самых жестких требований.


Отличное понимание потребностей Заказчика, реализация задач с учетом его пожеланий и требований. Позволяет нам создавать надежные, эффективные и рациональные проекты самого высокого качества в согласованные сроки. Создавая по-настоящему современные «умные» заводы, цеха и производственные линии.

Автоматизация объектов маслоэкстракционного завода 

Проведены работы по комплексной автоматизации объектов маслоэкстракционного завода комбикормового предприятия ООО «Мираторг-Курск» в Кромском районе Орловской области:
• Насосная оборотного водоснабжения цеха подготовки
• Насосная оборотного водоснабжения цеха экстракции
• Насосная перекачки масла
• Резервуары гексана с насосной
По договору с ООО «БрянскАгрострой» выполнены следующие виды работ:
• Разработка рабочей документации в части АСУТП
• Строительно-монтажные работы в части КИПиА и АСУТП
• Инжиниринговые работы (программирование и конфигурация контроллеров, локальных панелей и рабочей станции)
• Пуско-наладочные работы
За период с ноября 2020 года по апрель 2021 года была смонтирована и передана в эксплуатацию распределенная система управления на базе контроллеров Siemens S7-1200 с общим количеством каналов около 1100 шт., SCADA-система на базе программного обеспечения Siemens WinCC.

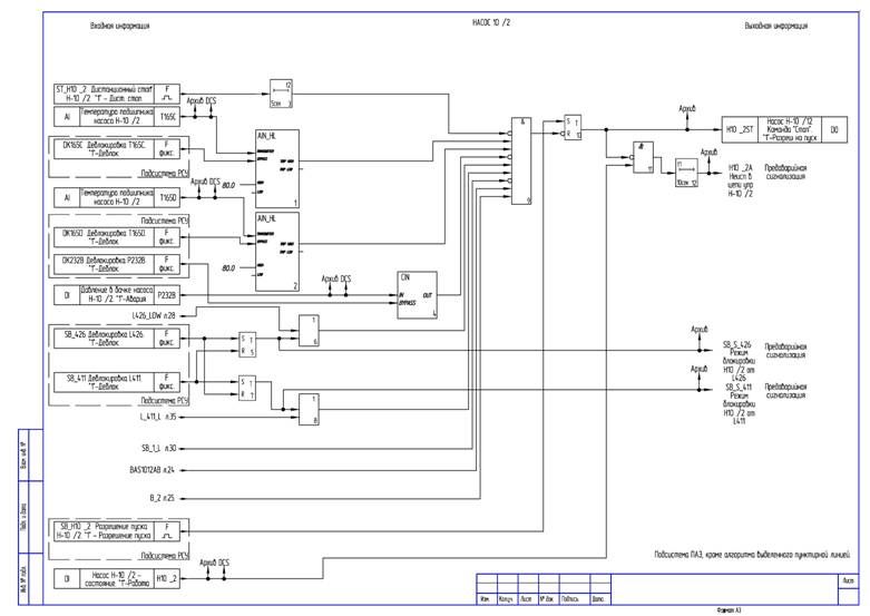
Модернизация установки гидроочистки дизельного топлива нефтеперерабатывающего предприятия

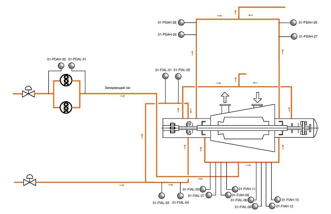
Пример проектной документации - алгоритм управления насосом

  • Модернизация технологии нефтепереработки для производства топлива по стандарту ЕВРО-5;
  • Количество каналов в/в – 1371 шт.;
  • АСУТП -  Honeywell ExperionPKS и СПАЗ Safety Manager;
  • Интеграция ЛСУ компрессорами Allen-Bradley ControlLogix в АСУТП по Modbus.

В процессе работы над проектом были проведены следующие виды работ:

Проектирование - разработка полного комплекта проектно-сметной документации для модернизации существующей АСУТП;

Инжиниринг -  разработка программного обеспечения для контроллеров РСУ/СПАЗ и SCADA-системы;

Шефмонтаж – контроль монтажа и установки оборудования АСУТП, организация подачи питания;

Пусконаладка – проведение спарки сигналов, корректности отображения на видеокадрах, функциональные тесты динамического оборудования, комплексное опробование АСУТП;

Ввод в эксплуатацию - круглосуточное сопровождение АСУТП на протяжении 72 часов, обучение технологического персонала.

Весь комплекс работ (от проектирования до ввода в эксплуатацию) был выполнен за 4 месяца. Что является отличным результатом для объекта такой сложности и размера.

Проектирование модернизации локальных систем управления поршневыми газовыми компрессорами

Пример проектной документации – эскиз чертежа общего вида шкафа

  • Модернизация локальной системы управления компрессорами для уменьшения количества незапланированных простоев оборудования, а также повышения стабильности работы установок, принимающих произведенный газ;
  • Количество каналов в/в – 440 шт.;
  • ЛСУ -  БАЗИС-100 АО «Экоресурс» с использованием панелей управления;
  • Интеграция с АСУТП предприятия Honeywell ExperionPKS по Modbus.

Локальные системы управления компрессорами в количестве 4 штук были внедрены на предприятии в начале 2000-х годов. - на советском релейно-пусковом оборудовании, а также под управлением контроллеров БАЗИС-21 в черно-белом исполнении.

С течением времени данное оборудование автоматизации, в силу своего долгого срока службы, часто стало являться причиной незапланированных остановов поршневых компрессоров.

В процессе работы над проектом был разработан полный комплект проектно-сметной документации для модернизации релейных схем и старых ПЛК, а также выполнен инжиниринг программного обеспечения для программируемых логических контроллеров и SCADA-системы БАЗИС-100.

Весь комплекс работ был выполнен за 3 месяца.

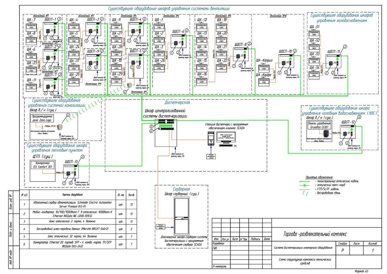
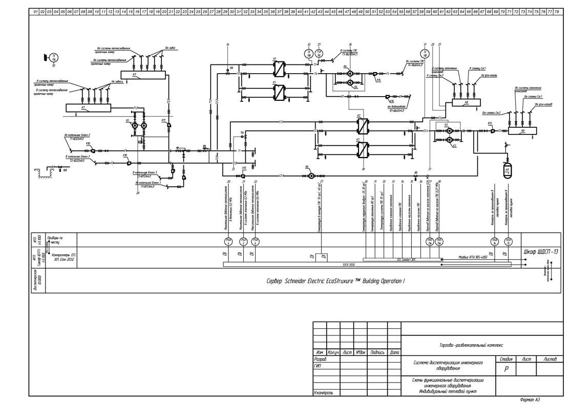
  • Разработка документации и подбор оборудования для интеграции инженерных систем ТРЦ в единую современную систему диспетчеризации Schneider Electric EcoStructure Building Operation;
  • Количество каналов в/в – 310 шт.;
  • Интеграция по Modbus в систему диспетчеризации ИС на базе оборудования Carel, Grundfos, ECL, Schneider Electric

Локальные системы управления инженерными сетями функционировали в ТРЦ более 10 лет:


  • cистемы управления вентиляцией помещений, на базе контроллеров Carel;
  • cистема управления холодным водоснабжением на базе панели Grundfos CU351;
  • система теплового пункта на базе контроллера ECL Comfort 301;
  • система управления канализационной напорной станцией на базе программируемого реле Zelio Logic.


Был разработан полный комплект документации объединения всех перечисленных систем в единую платформу диспетчеризации, базирующуюся в центральном операторском пункте - кабельные трассы, чертежи шкафов, спецификации оборудования автоматизации, схемы подключений и размещений шкафов.

Весь комплекс работ был выполнен за 2 месяца.

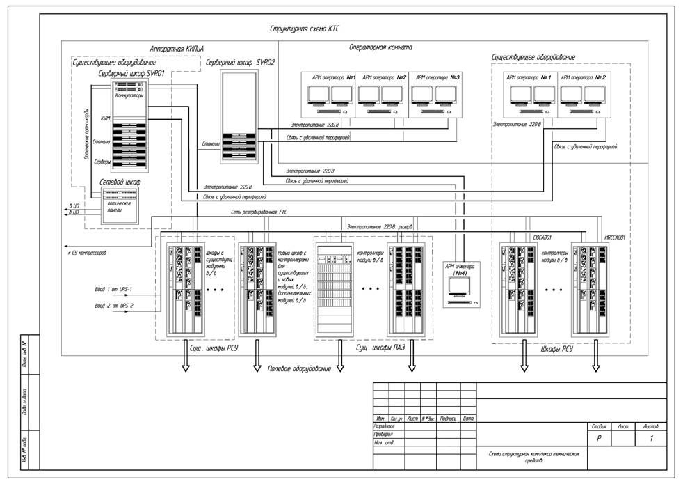
Проектирование системы диспетчеризации торгово-развлекательного центра

Пример проектной документации – структурная схема КТС

  • Модернизация локальной системы управления компрессорами в связи с моральным и физическим устареванием существующих ПЛК Siemens S5;
  • Количество каналов в/в – 299 шт.;
  • ЛСУ - программируемый логический контроллер Allen-Bradley 1756-L71 с системой вибродиагностики Bently-Nevada 3500;
  • Интеграция с АСУТП предприятия Honeywell ExperionPKS по Modbus.

Системы управления центробежными компрессорами в количестве 2 штук были внедрены на предприятии в 1992 году. Они были выполнены на передовом для того времени ПЛК Siemens S5.

Однако с течением времени даже такой зарекомендовавший себя ПЛК перестаёт отвечать современным нормам безопасности, быстродействия и возможностей интеграции со сторонними АСУТП.

В связи с этим, в 2018 году было принято решение о модернизации ЛСУ компрессоров на современном модульном ПЛК Allen-Bradley 1756-L71 с системой вибродиагностики Bently-Nevada 3500.

В процессе работы над проектом был разработан полный комплект монтажных и рабочих чертежей, а также документация верхнего уровня АСУТП.

Весь комплекс работ был выполнен за 2 месяца.

Проектирование модернизации локальных систем управления центробежными газовыми компрессорами

Пример проектной документации – эскиз видеокадра (мнемосхемы)

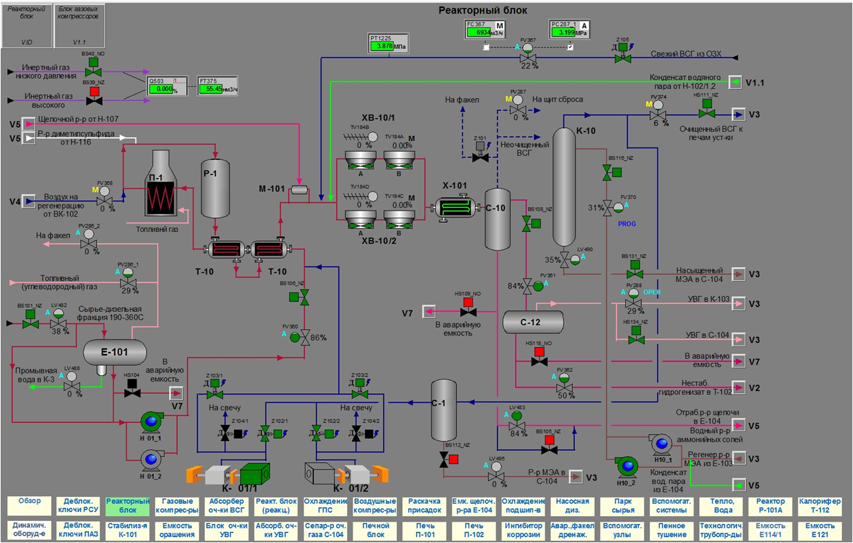
Модернизация АСУТП комплекса производства масел нефтеперерабатывающего предприятия

  • Капитальный ремонт комплекса с целью улучшения качества производимой продукции;
  • Количество каналов в/в – 1410 шт.;
  • АСУТП - Honeywell ExperionPKS и СПАЗ Fail Safe Controller;
  • Интеграция ЛСУ компрессорами Allen-Bradley ControlLogix в АСУТП по Modbus.

Комплекс был переведен на микропроцессорные средства автоматизации в 2002 году, поставщиком была выбрана АСУТП фирмы Honeywell – РСУ TDC 3000 и СПАЗ Fail Safe Controller.

В 2017 году существующая АСУТП перестала отвечать современным требованиям к детальности операторского интерфейса, глубине архивации и трендов аналоговых показаний.  Фактически морально устарела.

Было принято решение о модернизации АСУТП установки на оборудовании фирмы Honeywell с заменой центральных процессорных частей РСУ и СПАЗ, но без замены модулей ввода/вывода и терминальных панелей.

В процессе работы над проектом были проведены инжиниринговые и пусконаладочные работы двух подсистем АСУТП. Строительно-монтажная часть заключалась в замене процессорных частей контроллеров, а также корректировке сетевых коммуникаций.

Весь комплекс работ (от инжиниринга до ввода в эксплуатацию) был выполнен за 3,5 месяца.

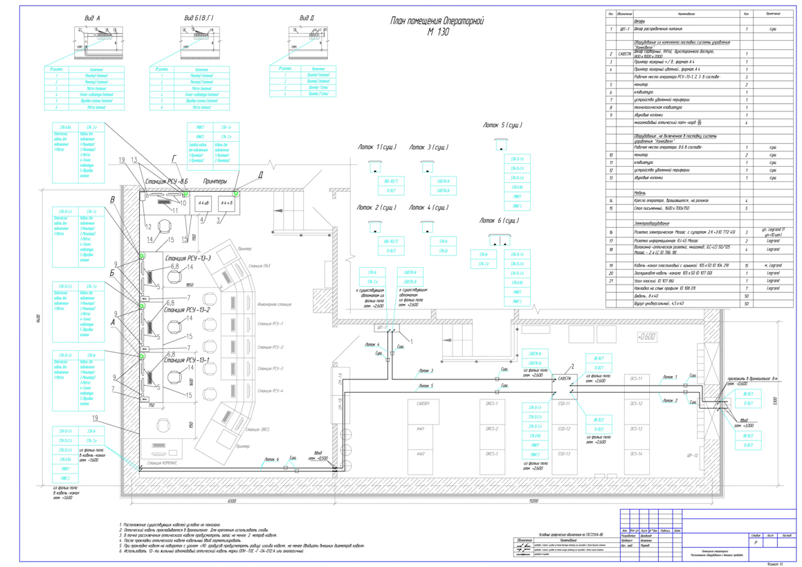
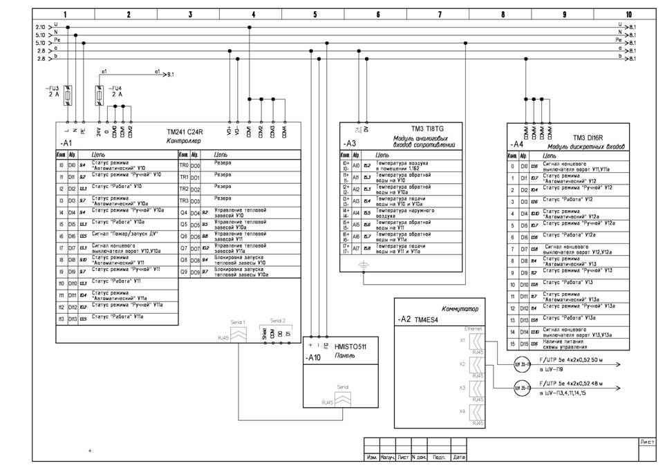
Проектирование системы управления инженерными системами торговых и бытовых помещений

Пример проектной документации – схемы подключения контроллера и датчиков

  • Разработка типовой документации и подбор оборудования для автоматизации инженерных систем торговых павильонов на базе ПЛК Schneider Electric  Modicon M241;
  • Количество каналов в/в – 55 шт. на 1 инженерную систему (вентиляция, кондиционирование или отопление);
  • Интеграция по Modbus в систему диспетчеризации ИС;

Автоматизация инженерных систем производилась в рамках строительства новых торговых площадей, складов, бытовых помещений.

Был разработан полный комплект документации для оснащения систем обеспечения современными программируемыми логическими контроллерами с выводом информации в централизованную систему управления зданием.